2025年度
本部
高効率化するDCモータ速度コントローラの開発
最終更新日:2026年2月27日
アピールポイント
- 従来のPWM制御よりモータ効率が高くなるDCモータ速度コントローラ
- モータ効率が高くなると発熱量が少なくなり、モータの長寿命化や低消費電力化に役立つ
技術内容

技術の特徴
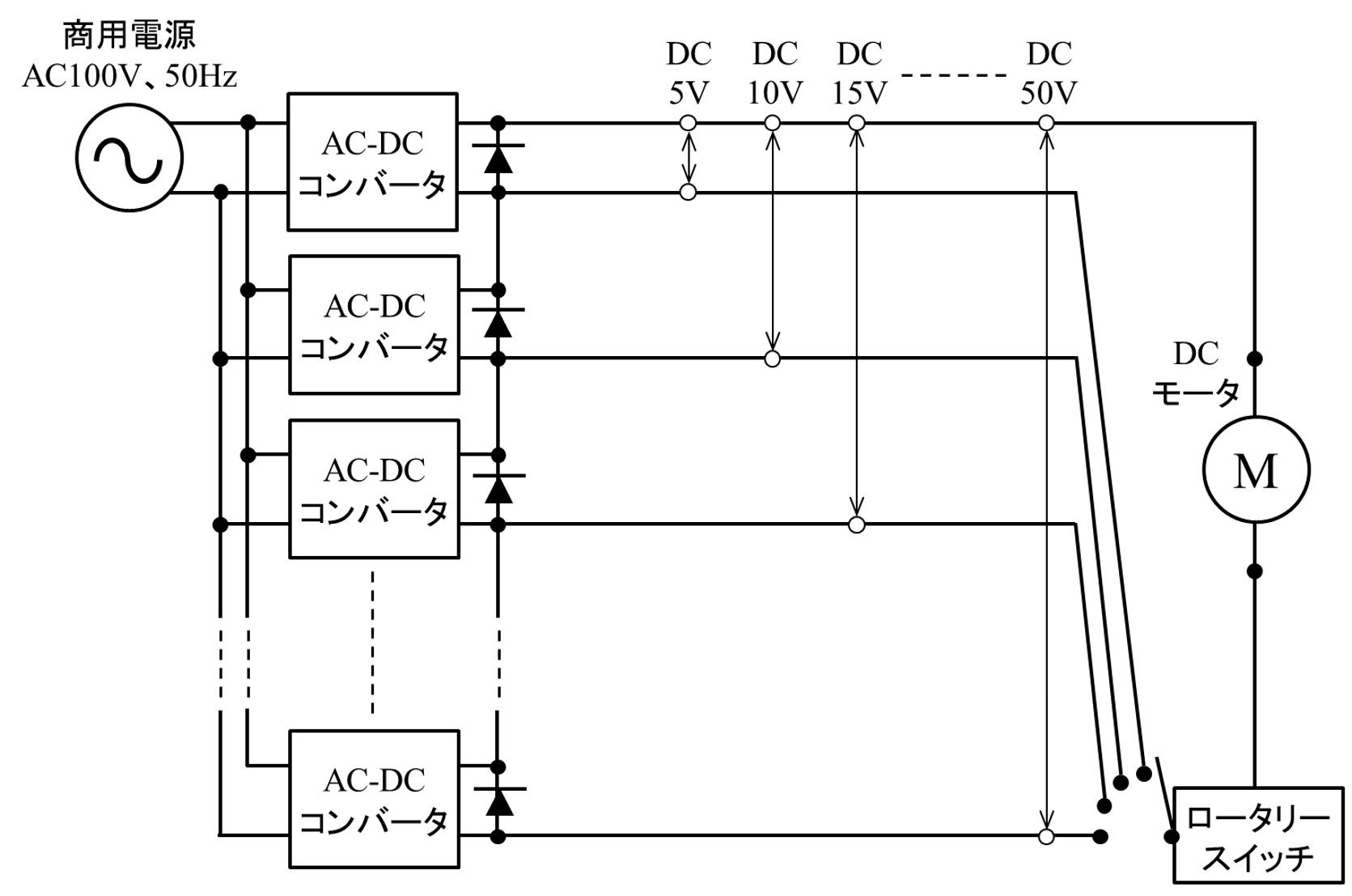
- DCモータの速度制御方法として、複数のコンバータの出力電圧を重畳させてモータ駆動電圧を制御する方法を提案
- 特に低速度運転時において威力を発揮
技術の概要
- 複数のAC-DCコンバータの電圧入力端子を並列接続し、出力端子を直列接続して、複数コンバータの各ローサイド側出力端子をロータリースイッチで切り替えることにより、段階的な電圧調整を可能としたDCモータ速度コントローラ
- 上記コンバータの出力電圧に、別途用意したパルス電圧の小さいPWMから得る出力電圧を重畳することで、連続的な電圧調整も可能


企業へのご提案
- 可変速運転を伴うDCモータ駆動の製品開発を行っており、省エネ化(低消費電力化)を進めたい方
- パワーエレクトロニクス技術を得意としており、コントローラの小型化と低消費電力化に共同で取り組んでいただける方
共同研究や実施許諾先を募集しています。
研究成果に関する文献・資料
長谷川ら, 第37回「電磁力関連のダイナミクス」シンポジウム (SEAD37), 22A3-2 (2025)
知財情報
特開 2025-141822
研究者情報
- 事業所
- 本部
- グループ
- 電気技術グループ
- 担当者
- 長谷川 孝
- 共同研究機関・共同研究者
- 学校法人鶴学園広島工業大学
